motorblok

21 feb 2015 17:16 #1 door Alfred van Doorn
motorblok werd gestart door Alfred van Doorn
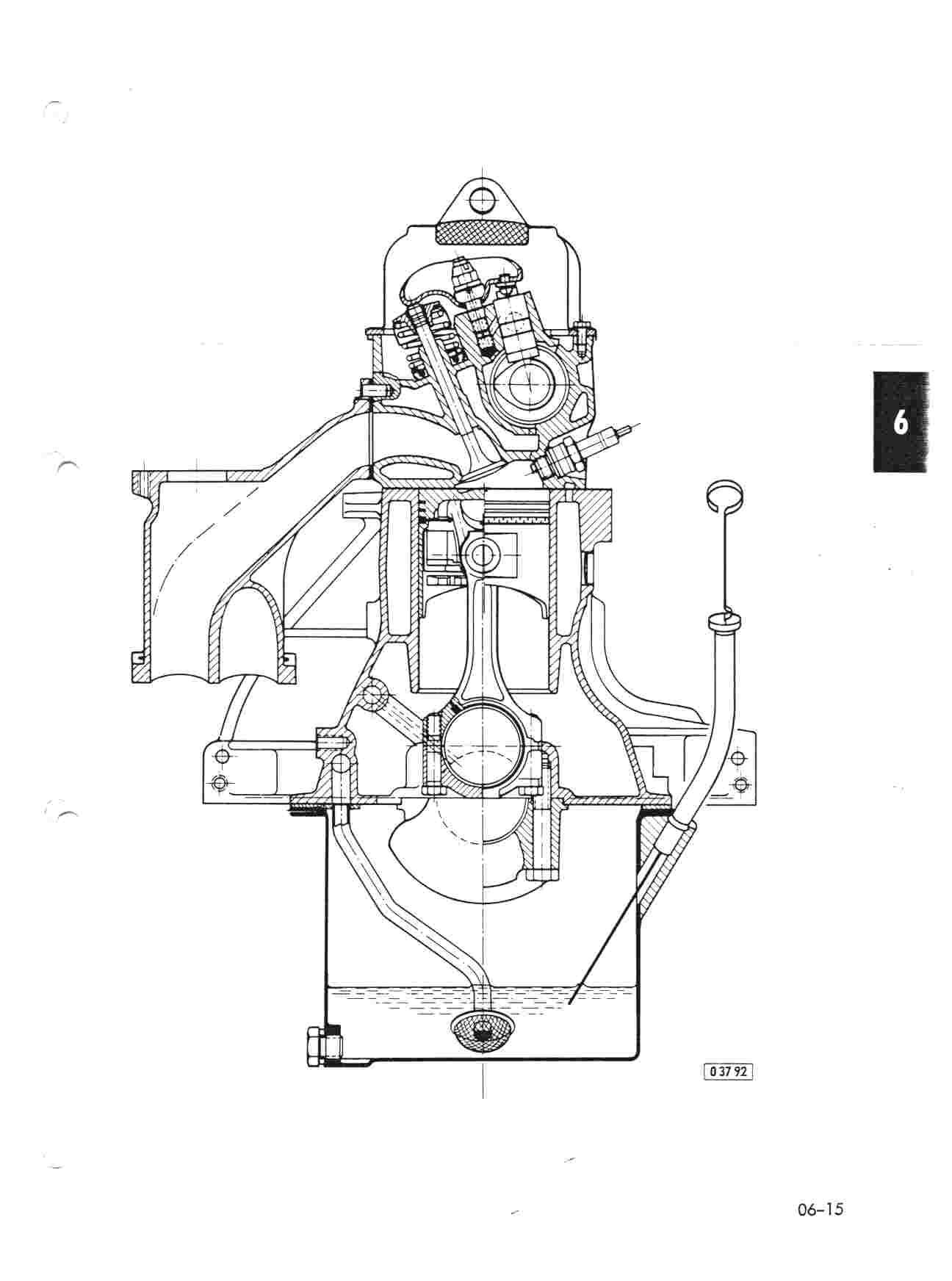
Ik heb een ratel in mijn motorblok, nu heb ik een voor een de bougiekabel van de eraf gehaald en het blijft ratelen. Nu zou ik graag willen kijken wat het allemaal nog kan zijn. Dus heeft iemand voor mij een duidelijk beeld van doorsnee en benamingen van de onderdelen van een 1900 motorblok?

Gelieve Inloggen of een account aanmaken om deel te nemen aan dit gesprek.

21 feb 2015 19:46 #2 door 2 Fast 4 U
Beantwoord door 2 Fast 4 U in topic motorblok
Hier verschillende














Gelieve Inloggen of een account aanmaken om deel te nemen aan dit gesprek.

22 feb 2015 12:40 #3 door Alfred van Doorn
Beantwoord door Alfred van Doorn in topic Re:motorblok
Super bedankt


Verzonden vanaf mijn iPad met Tapatalk

Gelieve Inloggen of een account aanmaken om deel te nemen aan dit gesprek.